振動篩12年生產廠家
過濾,除雜,分級

價格:500-1600元
2.5-40N激振力:
380V電壓:
≥IP55防護等級:
特點:運行中不產生電火花,安全性較高;接線盒的密封性好。
適用:是粉狀、粒狀、塊狀物料機械化輸送、給料、破碎、篩分、充填、振實、造型、落砂、料倉防閉塞等振動機械激振源。

全國統一銷售熱線


BZDL立式防爆振動電機是一種可以在易燃易爆廠所使用的一種電機,運行時不產生電火花。防爆電機主要用于煤礦、石油自然氣、石油化工和化學工業。此外,在紡織、冶金、城市煤氣、交通、糧油加工、造紙、醫藥等部門也被廣泛應用。立式防爆振動電機作為主要作為旋振篩的力源替代振動篩行業原來普通防爆電機帶激振器的振動模式,其優點安裝操作方便,安全性更好。
立式防爆振動電機在旋振篩上的安裝視頻

BZDL立式防爆振動電機隔爆外殼允許進入內部的爆炸性氣體混合物(或爆炸性粉塵混合物)在外殼內發生燃燒爆炸,但是不允許爆炸生成物從外殼內部通過通往外殼外部的任何通道竄到外殼外部,點燃周圍的爆炸性氣體混合物(或爆炸性粉塵混合物)。電動機具有這樣的外殼,只要它外部表面的高溫度不超過相應的溫度組別的溫度值,就不會成為周圍的爆炸性氣體混合物(或爆炸性粉塵混合物)的點燃源。
1、爆炸性氣體環境:在大氣條件下,可燃物質以氣體或蒸氣的形式與空氣形成的混合物,被點燃后,能夠保持燃燒自行傳遍的環境。
2、爆炸性粉塵環境:在大氣條件下,可燃物質以粉塵、纖維或飛絮的形式與空氣形成的混合物,被點燃后,能夠保持燃燒自行傳遍的環境??扇夹苑蹓m:是指標稱尺寸 500μ m及以下的固體顆粒,可懸浮在空氣中,也可依靠自身重量沉淀下來,可在空氣中燃燒或燜燃,在大氣壓力和常溫條件下可與空氣形成爆炸性混合物的顆粒。

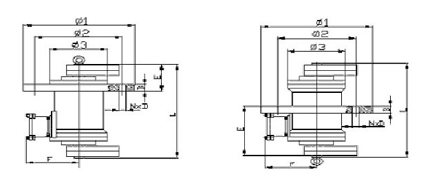
| 型號 | 級數 | 額定 激振力(KN) | 額定功率 (KW) |
額定電壓(V) | 額定電流(A) | 額定頻率(Hz) | 振率 次/min |
接法 | 絕緣等級 | 工作定額 | 防護等級 | |
| ZDL BZDL |
2.5 | 4 | 2.5 | 0.13 | 380 | 0.42 | 50 | 1380 | Y | F | SI | IP55 |
| 6 | 0.2 | 380 | 0.72 | 50 | 900 | Y | F | SI | IP55 | |||
| 5 | 4 | 5 | 0.25 | 380 | 0.90 | 50 | 1380 | Y | F | SI | IP55 | |
| 6 | 0.4 | 380 | 1.30 | 50 | 900 | Y | F | SI | IP55 | |||
| 8 | 4 | 8 | 0.45 | 380 | 1.50 | 50 | 1380 | Y | F | SI | IP55 | |
| 6 | 0.55 | 380 | 1.70 | 50 | 920 | Y | F | SI | IP55 | |||
| 10 | 4 | 10 | 0.55 | 380 | 1.80 | 50 | 1380 | Y | F | SI | IP55 | |
| 6 | 0.75 | 380 | 2.10 | 50 | 920 | Y | F | SI | IP55 | |||
| 16 | 4 | 16 | 0.75 | 380 | 2.30 | 50 | 1410 | Y | F | SI | IP55 | |
| 6 | 1.1 | 380 | 3.37 | 50 | 940 | Y | F | SI | IP55 | |||
| 20 | 4 | 20 | 1.1 | 380 | 3.30 | 50 | 1410 | Y | F | SI | IP55 | |
| 6 | 1.5 | 380/660 | 3.78/2.2 | 50 | 940 | Y | F | SI | IP55 | |||
| 30 | 4 | 30 | 1.5 | 380/660 | 4.9/2.83 | 50 | 1410 | Y | F | SI | IP55 | |
| 40 | 4 | 40 | 1.85 | 380/660 | 4.70/2.70 | 50 | 1410 | Y | F | SI | IP55 | |

1.保修期內非因操作不當造成需要更換的零配件及設備由我廠負責包修、包換。
2.質量保證期結束后,我廠將繼續免費提供售后服務,不限年份終身服務,僅收取零部件成本費,免收人工費,免收維修費。
為了向您提供完善的售后服務,請將您的寶貴意見、建議及要求反饋給我廠。我們感謝貴單位使用我廠的產品,我廠建立有完整的營銷網絡及完善的售后服務體系,售后服務部已將您購買的產品建立了信息檔案。如果您購買的產品出現質量問題,我們將及時為您提供全方位的服務。
Copyright ? 2007-2019 振動篩廠家-新鄉市大漢振動機械有限公司 | All Rights Reserved 版權所有
備案序號:豫ICP備09002479號-1